
Technical parameters Of Thermostat:
Electrical parameters: 1)CQC,VDE,UL,CUL AC250V 50~60Hz 5A/10A/15A (Resistance load)
2)UL AC125V 50Hz 15A (Resistance load)
2.Action temperature range: 45~160 (Optional); temperature accuracy: ±2 ±3 ±5 ±10
3.Recovery and action temperature difference: 8~100 (Optional)
4.Connection method: Insert the terminal 250# (bending angle: 0~90° optional); Insert the terminal 187# (bending angle: 0~90° optional; thickness: 0.5, 0.8mm optional)
5.Lifespan: ≥100,000 times
6.Electrical strength: No spark or breakdown for 1min at AC 50Hz 1800V
7.Contact resistance: ≤50mΩ
8.Insulation resistance: ≤100MΩ
Junction method: Constant-closed: the contact point disconnects when temperature rises; and contact point connects when temperature falls;
Constant-opened: the contact point connects when temperature rises; and contact point disconnects when temperature falls.
10. Casing protective class: IP00
11.Grounding method: Connection is made between the metal casing of the temperature controller and the metal part of the grounding device.
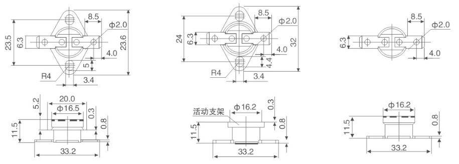
12. Installation method: installed for KI031 series: general moving ring, mini round moving ring, flat moving ring general aluminum cover with mounting hole, extra length aluminum cover with mounting hole.
Structure Of Manual Reset Thermostat:
KSD301 serial products are the temperature controllers taking bimetallic strip as the temperature-sensing unit. In case of normal operation the electrical appliance, the bimetallic strip is in a free state; the contact point is in a state of close/open. When the temperature reaches the action temperature, the bimetallic strip performs quick action generates caused by internal stress due to heating; open/close the contact point; disconnect/connect the circuit; thus, the temperature is in control. When the electrical appliance is cooled to the recovery temperature, the contact point automatically opens/closes to recover normal operation state.
 |
Application Of Snap Action Thermostat:
Widely used in electrical heating appliances like water dispenser, water heater, sandwich bread baker, dishwasher, dryer, sterilizing cupboard, micro-wave oven, electric heating coffee pot, electric cooker, refrigerator, air-conditioner, laminator, heater of auto seat.
Passed Certificate:
CQC UL VDE TUV SGS
|