
全球业务联系人:赵先生
手 机:+86 135 38379716
电 话:+86-752-2033152
传 真:+86-752-2033153
Q Q:565651985
E-mail:KSD301@yahoo.com
地址: 广东省惠州市博罗县石湾镇中岗村
![]() |
![]()
KSD铜头温控器结构特点:
铜头温控器性能参数:
⑤使用寿命:≥ 100,000次
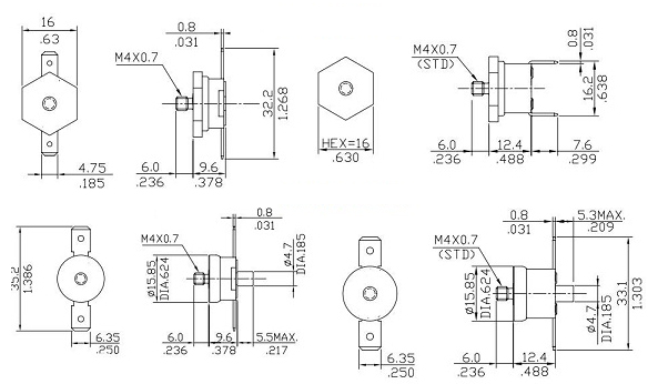
铜头温控器结构图:
KSD301系列温控器主要用途: 主要用于饮水机、电热热水器、三明治烤面包机、洗碗机、干燥机、消毒柜、微波炉、电热咖啡壶、光波机、电煮锅、电机、冰箱、空调过胶机、汽车座位加热器等电器。
|
|
![]() |
Copyright 2013.All Rights Reserved 粤ICP备14072646号 版权所有 惠州市恒达锋电子科技有限公司 地址:广东省惠州市博罗县石湾镇中岗村 电话: 传真:0752-2033153 邮箱:KSD301@yahoo.com Jackychao1984@gmail.com |