
全球业务联系人:赵先生
手 机:+86 135 38379716
电 话:+86-752-2033152
传 真:+86-752-2033153
Q Q:565651985
E-mail:KSD301@yahoo.com
地址: 广东省惠州市博罗县石湾镇中岗村
![]() |
![]()
17AM系列过热保护器产品特点:
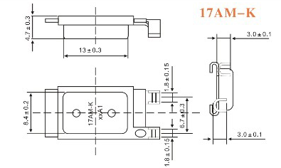
17AM结构图如下所示:
说明:17AMC与TP-D是同一类产品 , 复位温度为标准动作温度值的2/3,公差为±15℃,或由用户指定。
17AM系列热保护器应用范围:
|
|||||||||||||||||||||||||||||||||||||||||||||||||||||||||||||||||||||||||||||||||||||||||||
![]() |
Copyright 2013.All Rights Reserved 粤ICP备14072646号 版权所有 惠州市恒达锋电子科技有限公司 地址:广东省惠州市博罗县石湾镇中岗村 电话: 传真:0752-2033153 邮箱:KSD301@yahoo.com Jackychao1984@gmail.com |